◆ Model: YJ150 YJ150A
◆ Użycie: Ta seria instrumentów jest wykorzystywana głównie do kalibracji wskaźników ciśnienia zwyczajnego lub cywilnego. Można go również wykorzystać do dokładnego pomiaru ciśnienia nie-korozyjnych, niekrystalizacyjnych i nieskonsolidujących mediów, takich jak stop ze stopu miedzi i stal strukturalna stopowa w miejscu procesu.
Ta seria instrumentów w linii skali pod ustawieniem pierścienia lustrzanego, w użyciu może sprawić, że błąd odczytu jest zminimalizowany. Typ z zerowym urządzeniem, w procesie użytkowania, jeśli okaże się, że wskaźnik nie powraca do zera, przy braku ciśnienia multimedialnego może być wskaźnikiem dopracowanego, dzięki czemu powrócił do zero, aby zmniejszyć błąd.
◆ Parametry techniczne :
| Numer modelu | YJ150 | YJ150A | |
| Średnica nominalna | Φ 150 | ||
| Formularz instalacyjny | Ⅰ | * | * |
| Ⅳ | * | * | |
| Wątek złącza | M20 × 1.5 | ||
| Klasa dokładności | 0.4 | ||
| Zakres pomiaru ( MPA ) | Pusty: -0.1 ~ 0 Próżnia ciśnieniowa : -0.1 ~ 0,06 -0,1 ~ 0,15 -0,1 ~ 0,3 -0,1 ~ 0,5 -0,1 ~ 0,9 -0,1 ~ 1.5 -0.1 ~ 2.4 Ciśnienie: 0 ~ 0,1 0 ~ 0,16 0 ~ 0,25 0 ~ 0,4 0 ~ 0.6 0 ~ 1 0 ~ 1.6 0 ~ 2,5 0 ~ 4 0 ~ 6 0 ~ 10 0 ~ 16 0 ~ 25 0 ~ 40 0 ~ 60 0 ~ 100 | ||
| Warunki użytkowania środowiskowego | Temp : 20 ℃ ± 3 ℃ | ||
| Ocena wibracji | V · H · 2 | ||
| klasa ochronna | IP54 | ||
| Standardy wdrażania | GB/T 1227 | ||
| Uwaga: 1. Wspólne wątki można dostosować zgodnie z wymaganiami użytkownika. | |||
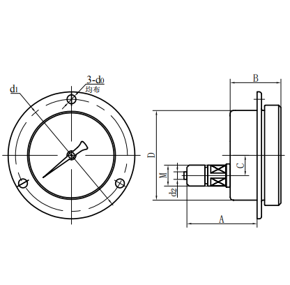
◆ Wymiary zewnętrzne:
| Radialny typ bezpośredni (ⅰ) | Osiowy ekscentryczny typ bezpośredni (ⅱ) |
| Numer modelu | Ogólne wymiary ( mm ) | |||||||
| A | B | C | D | D0 | D1 | D2 | M | |
| YJ150- Ⅰ YJ150A- Ⅰ | 113 | 51 | 21 | Φ 150 | / | / | Φ 6 | M20 × 1.5 |
| YJ150- Ⅳ YJ150A- Ⅳ | 79 | 51 | 55 | Φ 150 | Φ 6 | Φ 165 | Φ 6 | M20 × 1.5 |


















