◆ Model: YC40 YC50 YC60 YC75 YC100 YC150
◆ Zastosowanie: Ta seria instrumentów jest odpowiednia do pomiaru ciśnienia cieczy, gazu, pary i innych środków płynnych bez niebezpieczeństwa wybuchu, krystalizacji lub zestalania statków i powiązanego sprzętu.
Ta seria instrumentów ma światło, w głównej skali tarczy, a przedni koniec wskaźnika jest pokryty aktywnym lub pasywnym stałym środkiem świetlnym, więc wartość ciśnienia można wyraźnie odczytać w ciemności.
Skorupa tej serii instrumentów jest w pełni uszczelniona i ma pewną odporność na korozję wody morskiej, chroniąc w ten sposób wewnętrzne elementy instrumentu przed uszkodzeniem i korozją przez fale i wodę morską.
Tę serię instrumentów można również wypełnić olejem tłumiącym o niskiej wartości w skorupce, z możliwością oporu wibracji środowiska roboczego spowodowanego złej pogody w morzu i pulsacją średniego ciśnienia.
Ta seria instrumentów jest wykorzystywana głównie w wysyłce na morzu, na morzu na ropie i gazie na morzu, platformach wiertniczych, wydobycie dna morskiej, nawigacji śródlądowej i innych branżach.
◆ Parametry techniczne :
| Numer modelu | YLM60 | YLM100 | YLM150 | |
| Średnica nominalna | Φ 60 | Φ 100 | Φ 150 | |
| Typ montażu | Ⅰ | * | * | * |
| Ⅱ | * | * | * | |
| Ⅲ | * | / | / | |
| Ⅳ | * | * | * | |
| Ⅴ | * | / | / | |
| Ⅵ | * | * | * | |
| Wątek złącza | M14 × 1.5 | M20 × 1.5 | ||
| Klasa dokładności | 2.5 | 1.6 | ||
| Zakres pomiaru ( MPA ) | Pusty: -0.1 ~ 0 Próżnia ciśnieniowa : -0.1 ~ 0,06 -0,1 ~ 0,15 -0,1 ~ 0.3 -0.1 ~ 0,5 -0,1 ~ 0,9 -0,1 ~ 1.5 -0.1 ~ 2.4 Ciśnienie: 0 ~ 0,1 0 ~ 0,16 0 ~ 0,25 0 ~ 0,4 0 ~ 0.6 0 ~ 1 0 ~ 1.6 0 ~ 2,5 0 ~ 4 0 ~ 6 0 ~ 10 0 ~ 16 0 ~ 25 0 ~ 40 0 ~ 60 0 ~ 100 、 0 ~ 160 、 0 ~ 250 |
| Warunki użytkowania środowiskowego | Temp : -40 ℃~ 70 ℃ |
| Ocena wibracji | Typ normalny : V · H · 3 ; Typ sejsmiczny (typ wypełniony cieczą) : V · H · 4 |
| Materiał rurki Borden | QSN4-0.3 、 OCR18ni12mo2ti |
| Materiał i materiał złącza | 1cr18ni9ti ; SUS304 |
| klasa ochronna | IP65 |
| Standardy wdrażania | GB/T 1226 ; JB/T 6804 |
| Uwaga: 1. Wspólne wątki można dostosować zgodnie z wymaganiami użytkownika. | |
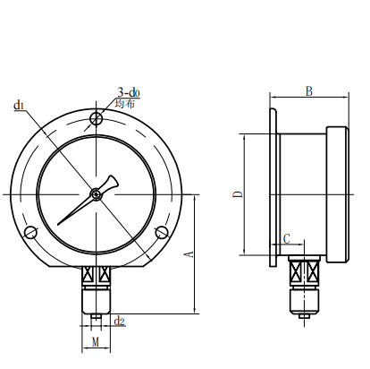
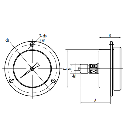
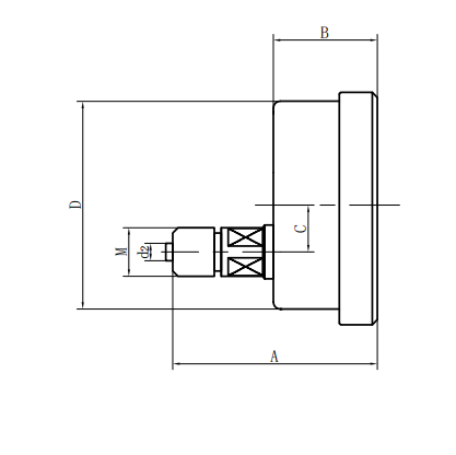
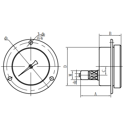
◆ Wymiary zewnętrzne:
| Radialny typ bezpośredni (ⅰ) | Osiowy mimośrodowy typ bezpośredni (ⅱ) |
| Osiowy koncentryczny typ bezpośredni (III) | Osiowy mimośrodowy typ wkładki (IV) |
| Osiowy koncentryczny typ insercji (v) | Radialny typ wypukły (vi) |
| Numer modelu | Ogólne wymiary (mm) | |||||||
| A | B | C | D | D0 | D1 | D2 | M | |
| YC60- Ⅰ | 56 | 33 | 11 | Φ 60 | / | / | Φ 5 | M14 × 1.5 |
| YC60- Ⅱ | 61 | 32.5 | 18 | Φ 60 | / | / | Φ 5 | |
| YC60- Ⅲ | 61 | 32.5 | / | Φ 60 | / | / | Φ 5 | M14 × 1.5 |
| YC60- Ⅳ | 55 | 32.5 | 18 | Φ 60 | Φ 5 | Φ 75 | Φ 5 | |
| YC60- Ⅴ | 55 | 32.5 | / | Φ 60 | Φ 5 | Φ 75 | Φ 5 | M14 × 1.5 |
| YC60- Ⅵ | 56 | 33 | 11 | Φ 60 | Φ 5 | Φ 75 | Φ 5 | M14 × 1.5 |
| YC100- Ⅰ | 90 | 48 | 15 | Φ 100 | / | / | Φ 6 | M20 × 1.5 |
| YC100- Ⅱ | 83 | 44 | 34 | Φ 100 | / | / | Φ 6 | M20 × 1.5 |
| YC100- Ⅳ | 68 | 44 | 34 | Φ 100 | Φ 6 | Φ 118 | Φ 6 | M20 × 1.5 |
| YC100- Ⅵ | 90 | 48 | 15 | Φ 100 | Φ 6 | Φ 118 | Φ 6 | M20 × 1.5 |
| YC150- Ⅰ | 117 | 51 | 16.5 | Φ 150 | / | / | Φ 6 | M20 × 1.5 |
| YC150- Ⅱ | 92 | 52 | 55 | Φ 150 | / | / | Φ 6 | M20 × 1.5 |
| YC150- Ⅳ | 69 | 52 | 55 | Φ 150 | Φ 6 | Φ 165 | Φ 6 | M20 × 1.5 |
| YC150- Ⅵ | 117 | 53 | 28 | Φ 150 | Φ 6 | Φ 165 | Φ 6 | M20 × 1.5 |


















