◆ Model: Yp100-L YP150-L YP100-F YP150-F
◆ Model: Yp100-L YP150-L YP100-F YP150-F
◆ Parametry techniczne:
| Model | YP100-L 、 YP100-F | YP150-L 、 YP150-F |
| Średnica nominalna | F 100 | F 150 |
| Klasa dokładności | 2.5 | |
| Zakres pomiarowy ( KPA ) | Ciśnienie: -60 ~ 0 -40 ~ 0 -25 ~ 0 -16 ~ 0-10 ~ 0 0 ~ 10 -6 ~ 0 -4 ~ 0 -2,5 ~ 0 -1,6 ~ 0 Presja pozytywna: 0 ~ 1.6 0 ~ 2,5 0 ~ 4 0 ~ 6 0 ~ 1 0 ~ 1.6 0 ~ 2.5 Ciśnienie dodatnie i ujemne: -0,8 ~ 0,8-1.2 ~ 1.2 -2 ~ 2-3 ~ 3 -5 ~ 5 -8 ~ 8-12 ~ 12-20 ~ 20 -30 ~ 30 | |
| Zakres pomiarowy ( MPA ) | Próżnia: -0.1 ~ 0 Próżnia ciśnieniowa: -0.1 ~ 0,06 -0,1 ~ 0,15 -0,1 ~ 0.3 -0.1 ~ 0,5 -0,1 ~ 0,9 -0,1 ~ 1.5 -0.1 ~ 2.4 Ciśnienie: 0 ~ 0,06 0 ~ 0,1 0 ~ 0,16 0 ~ 0,25 0 ~ 0.4 0 ~ 0,6 0 ~ 1 0 ~ 1.6 0 ~ 2.5 | |
| Użyj temperatury otoczenia | -40 ℃~ 70 ℃ | |
| Materiał przepony | OCR18ni12mo2ti ; SUS316 ; | |
| Typ montażu | Gwintowane ( L ); Kołnierz ( F ), ( F1 ) | |
| Ocena odporności na wibracje | V · H · 2 | |
| Ochrona wnikania | IP64 | |
| Egzekwować standard | JB/T 5491 | |
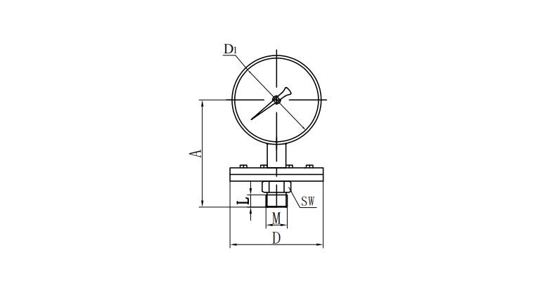
◆ Wymiary zewnętrzne:
Gwintowane ( L )
| Model | Wymiary ( mm ) | |||||
| A | D | D1 | SW | L | M | |
| YP100-L | 135 | Φ 97.5 Mikropresja φ 165 | 110 | 27 | 20 | M20 × 1.5 |
| YP150-L | 160 | 160 | 27 | 20 | M20 × 1.5 | |
| Uwaga: Wspólny wątek ( M ) może być przekształcone w gwint rur lub zwężaną gwint rurowych zgodnie z wymaganiami użytkownika (patrz Podręcznik wyboru). | ||||||
Wuxi Huihua Special Instrumentation Co., Ltd. was established in December 2001, the registered capital is 5 million yuan, the existing staff of more than 50 small and medium-sized joint-stock enterprises.
Firma specjalizuje się w produkcji różnych rodzajów specjalnych instrumentów, alternatywnej dla lokalizacji importowanych instrumentów. Do sejsmicznego wskaźnika ciśnienia sejsmicznego elektrycznego manometrii ciśnienia styku, manometru ciśnienia ze stali nierdzewnej, odpornym na korozję miernika ciśnienia odpornego na korozję, manometrową i innymi serami jako głównymi produktami. Na podstawie instrumentów polowych opracowaliśmy różne rodzaje nadajników ciśnienia, kontrolerów ciśnienia, cyfrowych wskaźników ciśnienia i tak dalej. Istnieje ponad 30 specyfikacji serii i 3000. Produkty zaopatrzenia są szeroko stosowane w roprze naftowej, chemicznej, papieru, metalurgii, wydobywaniu, błonnika chemicznym, energii elektrycznej, żywności, ochrony środowiska, gumy i plastiku, hydraulice i wielu innych branżach, a ponad 2000 klientów krajowych w celu nawiązania wizerunku marki w celu ustanowienia dobrej partnerstwa.
Jak Wskaźniki ciśnienia przepony serii YP Manufacturers, w całym systemie produkcyjnym istnieją ścisłe procesy kontroli jakości, aby zapewnić stałą jakość.
Manometry należą do najbardziej podstawowych przyrządów w każdym środowisku przemysłowym, mechanicznym lub procesowym. Zapewniają pomiar ciśnienia płynu lub gazu w czasie rzeczywistym, umożliwiając operatorom monitoro......
Przeczytaj więcejZrozumienie podstaw manometru Manometry to podstawowe przyrządy stosowane w niezliczonych gałęziach przemysłu do pomiaru i wyświetlania ciśnienia gazów lub cieczy w systemie. Urządzenia te pełnią krytyczne fu......
Przeczytaj więcejPrzetworniki różnicy ciśnień stanowią podstawowe instrumenty w nowoczesnych systemach kontroli, pomiarów i monitorowania procesów przemysłowych. Urządzenia te mierzą różnicę ciśnień pomiędzy dwoma punktami w systemie ......
Przeczytaj więcej