◆ Model: YZS102
◆ Model: YZS102
◆ Parametry techniczne:
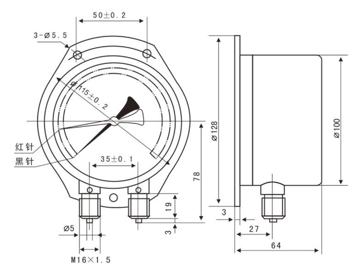
| Model | YZS102 |
| Średnica nominalna | Φ 100 |
| Dopasowanie nici | M20 × 1.5 ; G3/8 |
| Klasa dokładności | 1.6 |
| Zakres pomiarowy ( KPA ) | 0 ~ 1000 0 ~ 1200 0 ~ 1600 0 ~ 2500 |
| Warunki użytkowania środowiskowego | Temperatura: -5 ° C ~ 60 ° C. Wilgotność względna: nie więcej niż 80%. |
| Efekty temperatury | (Odchylenie od 20 ° C ± 5 ° C podczas używania) nie jest większe niż 0,4%/10 ° C. |
| waga | 0,7 kg |
| Ocena odporności na wibracje | V · H · 3 |
| Ochrona wnikania | IP54 |
| Egzekwować standard | GB/T1226 |
| Notatka: 1 . Wspólny wątek można dostosować zgodnie z wymaganiami użytkownika. | |
◆ Wymiary zewnętrzne:
Wuxi Huihua Special Instrumentation Co., Ltd. was established in December 2001, the registered capital is 5 million yuan, the existing staff of more than 50 small and medium-sized joint-stock enterprises.
Firma specjalizuje się w produkcji różnych rodzajów specjalnych instrumentów, alternatywnej dla lokalizacji importowanych instrumentów. Do sejsmicznego wskaźnika ciśnienia sejsmicznego elektrycznego manometrii ciśnienia styku, manometru ciśnienia ze stali nierdzewnej, odpornym na korozję miernika ciśnienia odpornego na korozję, manometrową i innymi serami jako głównymi produktami. Na podstawie instrumentów polowych opracowaliśmy różne rodzaje nadajników ciśnienia, kontrolerów ciśnienia, cyfrowych wskaźników ciśnienia i tak dalej. Istnieje ponad 30 specyfikacji serii i 3000. Produkty zaopatrzenia są szeroko stosowane w roprze naftowej, chemicznej, papieru, metalurgii, wydobywaniu, błonnika chemicznym, energii elektrycznej, żywności, ochrony środowiska, gumy i plastiku, hydraulice i wielu innych branżach, a ponad 2000 klientów krajowych w celu nawiązania wizerunku marki w celu ustanowienia dobrej partnerstwa.
Jak Podwójne podwójne podwójne podwójne wskaźniki ciśnienia serii YZS Manufacturers, w całym systemie produkcyjnym istnieją ścisłe procesy kontroli jakości, aby zapewnić stałą jakość.
Manometry należą do najbardziej podstawowych przyrządów w każdym środowisku przemysłowym, mechanicznym lub procesowym. Zapewniają pomiar ciśnienia płynu lub gazu w czasie rzeczywistym, umożliwiając operatorom monitoro......
Przeczytaj więcejZrozumienie podstaw manometru Manometry to podstawowe przyrządy stosowane w niezliczonych gałęziach przemysłu do pomiaru i wyświetlania ciśnienia gazów lub cieczy w systemie. Urządzenia te pełnią krytyczne fu......
Przeczytaj więcejPrzetworniki różnicy ciśnień stanowią podstawowe instrumenty w nowoczesnych systemach kontroli, pomiarów i monitorowania procesów przemysłowych. Urządzenia te mierzą różnicę ciśnień pomiędzy dwoma punktami w systemie ......
Przeczytaj więcej