◆ Model: y¨-ml y¨-mf y¨-mg y¨-mz y¨-mk y¨-mn y¨-ms
◆ Zastosowanie: Ze względu na pośrednią strukturę pomiaru manometr przepony nadaje się do pomiaru ciśnienia cieczy, gazów lub ziarnistej substancji stałych o wysokiej lepkości, łatwej do krystalizacji, silnej korozji i wysokiej temperaturze. Membrana izolacyjna ma różnorodne materiały do dostosowania się do różnych mediów korozyjnych.
Instrumenty te są stosowane głównie w włóknie chemicznym, włóknie syntetycznym, naftowej, farbowaniu, alkalicznym, kwasowym, żywnościowym, medycznym, budowlanym, wydobywczym, wytrzymałym i innym branżom.
Głowica tego rodzaju instrumentu może być stosowany w różnych seriach: ogólny manometra, oporne na wstrząsy manometrów, różnorodne elektryczne manometrów ciśnienia, różnorodne odporne na wstrząs elektryczne manometrów ciśnienia, nadajnik ciśnienia, zdalny manometra ciśnienia, kontroler ciśnienia i tak dalej.
◆ Zasada struktury:
Ten instrument jest pomiarem pośrednim. Odkształcenie przepony izolacji pod ciśnieniem zmierzonego pożywki ciecz uszczelniająca jest pod ciśnieniem, a ciśnienie jest przenoszone do ciśnienia.
Ciecz uszczelniająca jest pod ciśnieniem, a ciśnienie jest przeprowadzane do instrumentu wykrywalnego, który pokazuje wartość zmierzonego średniego ciśnienia.
◆ Parametry techniczne :
| Model głowy miernika | Różne rodzaje instrumentów ciśnieniowych, nadajników ciśnienia, kontrolerów ciśnienia itp. | |||
| Klasa dokładności | 1.6 ; 2.5 | |||
| Klasa dokładności ( MPA ) | 0 ~ 0,1 0 ~ 0,16 0 ~ 0,25 0 ~ 0,4 0 ~ 0.6 0 ~ 1 0 ~ 1.6 0 ~ 2,5 0 ~ 4 0 ~ 6 0 ~ 10 0 ~ 16 0 ~ 25 0 ~ 40 | |||
| Materiał przepony | pseudonimy | Tworzywo | pseudonimy | Tworzywo |
| 1 | 0cr18ni12mo2 | 5 | Hastelloy C (H276C) | |
| 2 | SUS304 | 6 | Stop Monel (CU30NI70) | |
| 3 | SUS316 | 7 | Tantalum (TA) | |
| 4 | SUS316L | 8 | Fluoroplastyczny (PTFE) | |
| Materiał izolatora | 1cr18ni9; 304; 316; 316L; F4; PVC itp. | |||
| Materiał uszczelki uszczelniający | NBR; Medyczna guma silikonowa; PTFE; Grafit; Fluoroelastomer; itp. | |||
| Wypełnianie płynu przewodnictwa | Olej silikonowy metylowy, olej roślinny, gliceryna, olej fluorowany itp. | |||
| Efekt temperatury | Ponieważ rozszerzalność cieplna płynu przewodzącego i sztywność przepony są powiązane z temperaturą, wartość błędu wynosi 0,1%/° C, gdy temperatura robocza odbiega od 20 ± 5 ° C. | |||
| Ochrona przed korozją | Ta wydajność obejmuje charakterystykę korozji środowiska i pożywki pomiarowej, a materiał izolatora, arkusza przepony i podkładki uszczelniającej można wybrać zgodnie z warunkami użytkowania. | |||
| Różnica poziomu | Wąż podłączony manometra ciśnienia w instalacji Jeśli punkt pomiarowy i wskaźnik ciśnienia znajdują się na różnych wysokościach, jego różnica poziomu cieczy generowana przez różnicę ciśnienia △ P wpłynie na zmierzoną wartość przyrządu, wzór wynosi: △ p = grawitacja właściwowa różnica w cieczy × różnica w cieczy. | |||
| Standardy wdrażania | JB/T 8624 | |||
| Uwaga: 1 wątek złącza można dostosować zgodnie z wymaganiami użytkownika; 2 、 Podłączanie kołnierza można dostosować zgodnie ze standardem kołnierza wymagań użytkownika. | ||||
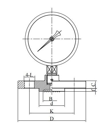
◆ Schemat typu izolatora i schemat instalacji:
| (Ml) Wątek interfejs | (MF) na otwartą twarz |
























