◆ Parametry techniczne:
| Model | CYBN100 | Cybn150 |
| Średnica nominalna | Φ 100 | Φ 150 |
| Typ montażu | Radialny wypukły zamontowany Równoległe interfejsy | * | * |
| Radialny wypukły zamontowany Interfejs ośmiu charakterystyczny | | * |
| Ekscentryczny mimośrodowy typ spłukiwania | * | * |
| Zakres pomiarowy | Presja różnicowa Zakres pomiarowy KPA | Nominalnyny Presja pracy KPA | Presja różnicowa Zakres pomiarowy MPA | Nominal Presja pracy MPA |
| 0 ~ 10 | 60 | 0 ~ 0.16 | 1 |
| 0 ~ 16 | 100 | 0 ~ 0.25 | 1.6 |
| 0 ~ 25 | 160 | 0 ~ 0.4 | 2.5 |
| 0 ~ 40 | 250 | 0 ~ 0.6 | 4 |
| 0 ~ 60 | 400 | 0 ~ 1 | 6 |
| 0 ~ 100 | 600 | 0 ~ 1.6 | 10 |
| | | 0 ~ 2.5 | 10 |
| Klasa dokładności | 2.5 |
| Dopasowanie nici | M20 × 1.5 |
| Użyj temperatury otoczenia | -40 ℃~ 70 ℃ |
| Temperatura pożywki do użycia | ≤ 60 ℃ |
| Ocena odporności na wibracje | V · H · 4 |
| Ocena obudowy | IP65 |
| waga | Około 1,5 kg |
| Materiał systemu impulsowego | 0cr17ni12mo2 、 SUS316 |
| obudowa i inne materiały | 1cr18ni9 、 SUS304 |
| Egzekwować standard | JB/T 12015-2014 |
| Notatka: 1 . Wspólny wątek można dostosować zgodnie z wymaganiami użytkownika. |
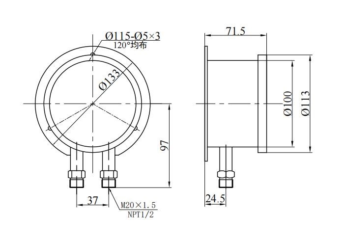
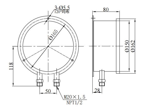
◆ Rozmiar wyglądu i instalacji:
| CYBN100 Równoległe interfejsy | Cybn150 równoległe interfejsy |
| Cybn150 Interfejs bazi | Cybn150 Ekcentryczność osiowa |
◆ Zasada strukturalna:
Instrument przyjmuje podwójną strukturę rurki BourdonW to znaczy dwie rurki Bourdon są instalowane w pozycjach symetrycznych po obu stronach wspornika „I”. Górne i dolne odcinki wspornika „I” są odpowiednio ruchomym końcem i stałym końcem, a środek jest połączony kawałkiem sprężyny: dwie rurki bourdonowe są w stanie równoległym i są połączone z mocnym i niskim napięciem na obudowie odpowiednio z przewodem: Mechanizm przekładni przekładni jest bezpośrednio instalowany. Mechanizm transmisji biegów.
◆ Zasada pracy: Na podstawie elementu wykrywania ciśnienia stosuje się dwie rurki Bourdona o tej samej sztywności, więc są one zmuszone do wytworzenia tej samej skoncentrowanej siły pod tym samym zmierzonym medium, aby działać odpowiednio na ruchomym wsporniku, ponieważ mechanizm przekładni nie działa, tak że nie jest to, więc poinformuje się, że wskaźnik nie jest stopniowo stopniowany. zerowa pozycja.
Gdy stosowane są różne ciśnienia (ogólnie koniec wysokiego ciśnienia jest wyższy niż koniec niskiego ciśnienia) , siła dwóch rur bourdon działających na ruchomym podporę nie jest równa, tak że odpowiadające jest odprowadzanie odpowiedniego przesunięcia.
◆ środki ostrożności:
1 Instrument powinien być instalowany pionowo w pozycji, która jest na tym samym poziomie co punkt pomiarowy, w przeciwnym razie należy wziąć pod uwagę dodatkowy błąd spowodowany różnicą poziomu cieczy.
2 . Złącze instrumentów oznaczone " H " Lub " „jest końcem wysokiego napięcia, a ten oznaczony” L " Lub " - „Jest końcem niskiego napięcia i nie można go odwrócić podczas instalacji.
3 . Gdy instrument mierzy ciśnienie różnicowe, można zastosować różnicową wartość ciśnienia 75% górnej granicy zakresu skali, a maksymalna statyczna wartość ciśnienia systemu nie powinna przekraczać maksymalnej wartości ciśnienia statycznego określonego przez przyrząd.
4. Jak pokazano na rysunku 4 , zawór równowagi (bezpieczeństwa) (zawór 1 ; 2 I Zawór 3 Wszystkie są otwarte.
5 . Przed użyciem instrument powinien dokładnie zweryfikować stopień erozji spowodowany przez zmierzone medium, aby nie spowodować wczesnego uszkodzenia korozji rurki Bourdon.
6 . Gdy instrument jest regularnie utrzymywany, jeśli należy otworzyć pokrywę licznika, zaleca się korzystanie z specjalnych narzędzi.
7 . Gdy na przyrząd mają wpływ zmiany temperatury, a błąd wskazania wzrasta i wpływa na dokładność pomiaru, boss wtyczki w obudowie można odciąć, aby wnętrze i na zewnątrz obudowy jest komunikowane, a ciśnienie powietrza jest zrównoważone.
◆ Zawiadomienie o zamawianiu:
Przy zamawianiu instrumentu użytkownik musi wskazać:
1. Nazwa i model, różnicowy zakres ciśnienia, maksymalne ciśnienie statyczne, jednostka pomiaru, poziom dokładności;
2. Rozmiar wątku wspólnego: konwencjonalny M20 × 1.5 , NPT1/2 (lub określone przez klienta);
3. Uwaga: Trzy grupy zaworów można dostosować w imieniu użytkowników (zawory 1 ~ 3 na rysunku 4 )