◆ Model: YQ40 YQ50 YQ60 YQ75 YQ100 YQ150
◆ Zastosowanie: Ta seria wskaźników jest wykonana ze stali nierdzewnej, z otworami w zakresie bezpieczeństwa wewnętrznego i pomocy ciśnieniowej na górze, aby uwolnić nadmierne ciśnienie w obudowie z powodu pęknięcia spowodowanego przez przeciążenie lub zmęczenie elementów sprężystości, aby chronić bezpieczeństwo operatorów i urządzeń i obiektów, a jest wypełniony płynnością stoppowy i wewnętrzny przepustowość kompensacyjną przepustowość, która może być wypełniona płynnością i na miejscu. Wskaźniki bezpieczeństwa wypełnione cieczą są odporne na wibracje, zapobiegając uszkodzeniu wnętrza miernika z powodu wibracji i smarując wewnętrzne komponenty w celu zminimalizowania zużycia i korozji.
Te wskaźniki są szeroko stosowane w wierceniu, rafinacji, chemicznej, żywności, farmaceutycznej, morskiej, morskiej platformie naftowej i innych branżach.
| Numer modelu | YQ60 | YQ100 | YQ150 | |
| Średnica nominalna | Φ 60 | Φ 100 | Φ 150 | |
| Formularz instalacyjny | Ⅰ | * | * | * |
| Ⅱ | * | * | * | |
| Ⅲ | * | / | / | |
| Ⅳ | * | * | * | |
| Ⅴ | * | / | / | |
| Ⅵ | * | * | * | |
| Wątek złącza | M14 × 1.5 | M20 × 1.5 | ||
| Klasa dokładności | 2.5 | 1.6 | ||
| Zakres pomiaru ( MPA ) | Pusty: -0.1 ~ 0 Próżnia ciśnieniowa : -0.1 ~ 0,06 -0,1 ~ 0,15 -0,1 ~ 0.3 -0.1 ~ 0,5 -0,1 ~ 0,9 -0,1 ~ 1.5 -0.1 ~ 2.4 Ciśnienie: 0 ~ 0,1 0 ~ 0,16 0 ~ 0,25 0 ~ 0,4 0 ~ 0.6 0 ~ 1 0 ~ 1.6 0 ~ 2,5 0 ~ 4 0 ~ 6 0 ~ 10 0 ~ 16 0 ~ 25 0 ~ 40 0 ~ 60 0 ~ 100 0 ~ 160 0 ~ 250 | |||
| Warunki użytkowania środowiskowego | Temp : -40 ℃~ 70 ℃ | |||
| Ocena wibracji | V · H · 3 | |||
| Materiał rurki Borden | OCR18ni12mo2ti ; SUS316 ; SUS316L | |||
| Materiał i materiał złącza | 1cr18ni9ti ; SUS304 | |||
| klasa ochronna | IP65 | |||
| Standardy wdrażania | GB/T1226 | |||
| Uwaga: 1. Wspólne wątki można dostosować zgodnie z wymaganiami użytkownika. | ||||
◆ Wymiary zewnętrzne:
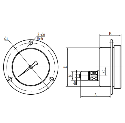
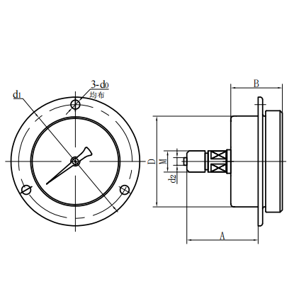
| Radialny typ bezpośredni (ⅰ) | Osiowy mimośrodowy typ bezpośredni (ⅱ) |
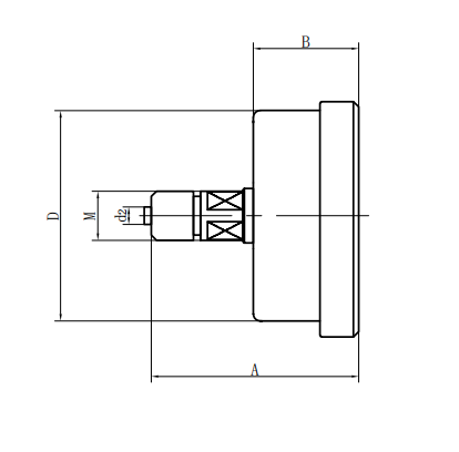
| Osiowy koncentryczny typ bezpośredni (III) | Osiowy mimośrodowy typ wkładki (IV) |
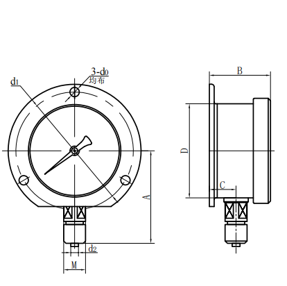
| Osiowy koncentryczny typ insercji (v) | Radialny typ wypukły (vi) |
| Numer modelu | Ogólne wymiary ( mm ) | |||||||
| A | B | C | D | D0 | D1 | D2 | M | |
| YQ60- Ⅰ | 56 | 33 | 11 | Φ 60 | / | / | Φ 5 | M14 × 1.5 |
| YQ60- Ⅱ | 61 | 32.5 | 18 | Φ 60 | / | / | Φ 5 | |
| YQ60- Ⅲ | 61 | 32.5 | / | Φ 60 | / | / | Φ 5 | M14 × 1.5 |
| YQ60- Ⅳ | 55 | 32.5 | 18 | Φ 60 | Φ 5 | Φ 75 | Φ 5 | |
| YQ60- Ⅴ | 55 | 32.5 | / | Φ 60 | Φ 5 | Φ 75 | Φ 5 | M14 × 1.5 |
| YQ60- Ⅵ | 56 | 33 | 11 | Φ 60 | Φ 5 | Φ 75 | Φ 5 | M14 × 1.5 |
| YQ100- Ⅰ | 90 | 48 | 15 | Φ 100 | / | / | Φ 6 | M20 × 1.5 |
| YQ100- Ⅱ | 83 | 44 | 34 | Φ 100 | / | / | Φ 6 | M20 × 1.5 |
| YQ100- Ⅳ | 68 | 44 | 34 | Φ 100 | Φ 6 | Φ 118 | Φ 6 | M20 × 1.5 |
| YQ100- Ⅵ | 90 | 48 | 15 | Φ 100 | Φ 6 | Φ 118 | Φ 6 | M20 × 1.5 |
| YQ150- Ⅰ | 117 | 51 | 16.5 | Φ 150 | / | / | Φ 6 | M20 × 1.5 |
| YQ150- Ⅱ | 92 | 52 | 55 | Φ 150 | / | / | Φ 6 | M20 × 1.5 |
| YQ150- Ⅳ | 69 | 52 | 55 | Φ 150 | Φ 6 | Φ 165 | Φ 6 | M20 × 1.5 |
| YQ150- Ⅵ | 117 | 53 | 28 | Φ 150 | Φ 6 | Φ 165 | Φ 6 | M20 × 1.5 |


















