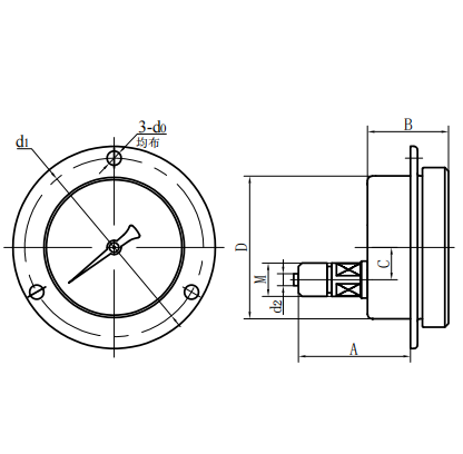
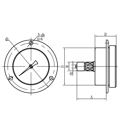
◆ Model: YN40 YN50 YN60 YN75 YN100 YN150
◆ Użycie: Ta seria instrumentów ma dobrą odporność na wstrząsy, szczególnie odpowiedni dla miejsc o silnych wibracjach maszyn środowiskowych, i może wytrzymać gwałtowne pulsacja, wstrząs i nagłe rozładunek średniego ciśnienia. Jest odpowiedni do pomiaru ciśnienia cieczy, gazu lub pary, który nie ma niebezpieczeństwa wybuchu, nie krystalizuje, nie ustępuje i nie ma żadnego korozyjnego wpływu na stop miedzi i miedzi. Instrument wskazuje stabilne i wyraźne odczyty. Jest szeroko stosowany w ciężkich maszynach, górnictwie, naftowej, przemysłu chemicznym, metalurgii, energii elektrycznej i innych działach.
◆ W praktycznym zastosowaniu, zgodnie ze specjalnymi cechami różnych mediów (takich jak zakaz oleju, ognioodporne, odporne na korozję itp.), Wymagania instrumentu są różne, więc ta seria instrumentów wynika z wielu odpowiadających specjalnych instrumentów, ich nominalna średnica, typ instalacji, gwint złącza, poziom dokładności, zakres pomiaru itp. Są tak samo jak sejsmiczne (szokowe), głównie są dwa kategorie: głównie są dwie kategorie.
2.1 Nadaje się do pomiaru ciśnienia łatwopalnych i wybuchowych mediów. Jest ściśle zabraniane kontakt z tłustymi substancjami łatwopalnymi. Leczenie odtłuszczania odbywa się przed opuszczeniem fabryki i testowane na wolność od tłuszczu.
2.1.1 Seria Yon odporna na wstrząs (sejsmiczny) manometrów ciśnienia tlenu
2.1.2 YHN Seria odporna na wstrząs (sejsmiczny) wskaźnik ciśnienia wodoru
2.1.3 Seria YYN opornego na wstrząsy (wstrząs) Manometrów ciśnienia acetylenu
2.2 Zastosowane materiały są odporne na korozję medium lub instrumentu nie ma wpływu na medium i aby upewnić się, że elementy wykrywalności i interfejsy są czyste i wolne od tłuszczu.
2.2.1 Yan Seria odpornego na wstrząsy (wstrząs) manomeza ciśnienia amoniaku
2.2.2 ydqn seria odpornego na wstrząsy (wstrząs) manometry azotu
Seria YN odporna na wstrząs
Model: 40 mm (1,5 "), 50 mm (2"), 60 mm (2,5 "), 100 mm (4"), 150 mm (6 ")
Wstęp:
Seria instrumentów ma doskonałą odporność na wstrząsy, stabilne wskazanie, wyraźne odczyty i są szczególnie odpowiednie do stosowania w miejscach o intensywnych wibracjach mechanicznych. Mogą również wytrzymać drastyczne pulsacje, uderzenia i nagłe zmniejszenie obciążenia pożywki. Jest w mechanizmie amortyzującym wstrząs i projektem wypełnionym cieczy (zwykle gliceryny i oleju silikonowego) umożliwiają ten manometrę, aby zapewnić niezawodny i precyzyjny pomiar ciśnienia nawet w warunkach złożonych i niekorzystnych. Ze względu na swoją elastyczność i dokładność jest szeroko stosowana w różnych branżach.



















































































































